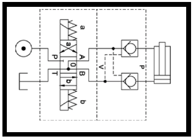
Sperrventil im A/B Kanal NG 10
Type: VP-NOV-10-D S30
pmax: 350 bar
Qmax: 100 L/min
bei Q = 80 L/min Delta p = 8 bar
Aufsteuerverhältnis 1 : 3,6
Federöffnungsdruck: p = 1 bar
Plattenaufbauhöhe 50 mm
Lagerort: D 02.06