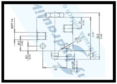
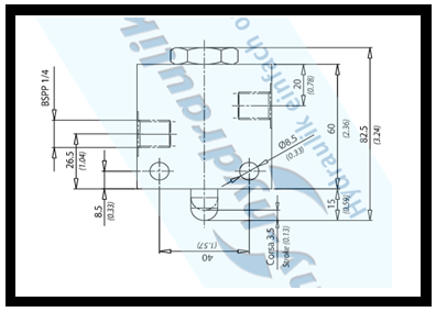
2/2 Wege-Sitzventil
Typ: FCM140
pmax. = 350 bar
Qmax = 40 L/min
manuell betätigt (Stößel)
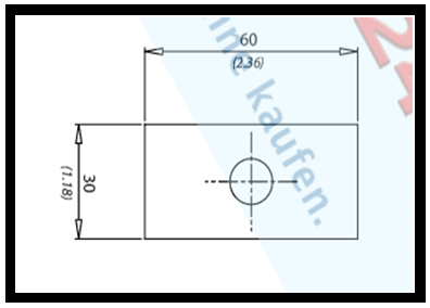
Anschlüsse: G 1/4" BSPP
Stahlgehäuse
Lagerort: G 01.08