Home  ¦   Konto  ¦   Warenkorb   ¦  Wunschzettel  
Shopping
 Hydraulik

 Ventile
    Hochdruckventile und Zubehoer
    Stromventile
    Ventile Druck
    Wege-/Sitzventile
        Sitzventile manuell betaetigt
        Sperrventile/Rückschlagventile
        Zwischenplatten/Flanschventile
    Wege-/Schieberventile

 Speicher

 Pumpen

 Filter

 Kataloge
Mein Konto
E-Mail Adresse:
Passwort:

Sicheres Anmelden

Registrierung

Passwort vergessen?
Service
Konto
Angebote
Warenkorb
Wunschzettel
Versandkosten
FAQ / Hilfe
Rückruf-Service
Kontakt
Unsere AGB
Impressum
Sitemap
Information:
Sicherer Shop mit SSL
Zur Info
Information
Widerruf
Datenschutz
Startseite » Ventile » Wege-/Sitzventile » Sitzventile manuell betaetigt » 2/2 Wege-Sitzventil; Typ: FCM140
2/2 Wege-Sitzventil; Typ: FCM140
2/2 Wege-Sitzventil; Typ: FCM140
2/2 Wege-Sitzventil; Typ: FCM140
2/2 Wege-Sitzventil; Typ: FCM140
2/2 Wege-Sitzventil; Typ: FCM140
2/2 Wege-Sitzventil; Typ: FCM140
2/2 Wege-Sitzventil; Typ: FCM140
Artikelnr.: 373-500-504
Artikelgewicht: 0.79kg
Preis auf Anfrage
Verfügbarkeit:
Auf den Wunschzettel
2/2 Wege-Sitzventil; Typ: FCM140

2/2 Wege-Sitzventil

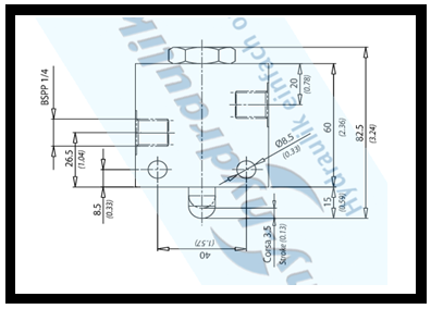
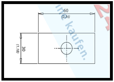
Typ: FCM140

pmax. = 350 bar

Qmax =  40 L/min

manuell betätigt (Stößel)

Anschlüsse: G 1/4" BSPP

Stahlgehäuse

Lagerort: G 01.08

Weitere Abbildungen

©Powered by XonSoft®