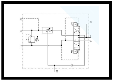
| 4/3 Wegeventilblock  für Presscontainer mit Laderampe, Stromregler und DBV Type: NG16-TG Qmax= 50 L/min pmax= 250 bar Steuerspannung U= 24 VDC mit integriertem 3 - Wege Stromregler DBV im Prioritätskanal-Kanal einstellbar Stahlgehäuse Anschlüsse: P1/P2/T/A/B 1/2" BSPP |