|
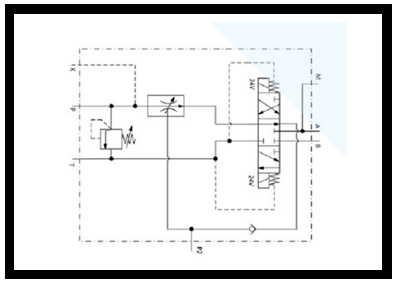
4/3 Wegeventilblock für Presscontainer mit Laderampe, Stromregler und DBV
Type: NG16-TG
Qmax= 50 L/min
pmax= 250 bar
Steuerspannung U= 24 VDC
mit integriertem 3 - Wege Stromregler
DBV im Prioritätskanal-Kanal einstellbar
Stahlgehäuse
Anschlüsse: P1/P2/T/A/B 1/2" BSPP
|