|
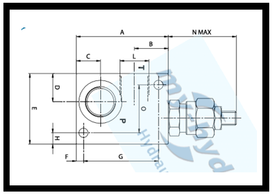
Druckbegrenzungsventil einstellbar 1/2"
Type: VMD-80-03-B-3
Leitungsbauweise
Druckanschluss: 1/2"
Tankanschluss: wie Druckanschluss
Q max: 80 L/min; p max: 260 bar
Einstellbereich: 20-260 bar
Gehäusewerkstoff: Aluminium
Verstellart: Verstellspindel mit Kontermutter und Schutzkappe
Auswahl von Varianten
|