Home  ¦   Konto  ¦   Warenkorb   ¦  Wunschzettel  
Shopping
 Hydraulik

 Ventile
    Hochdruckventile und Zubehoer
    Stromventile
    Ventile Druck
        Druckfolgeventile
        Einschraubventile
        Rohrleitungsventile
        Zwischenplatten-/Flanschventil
    Wege-/Sitzventile
    Wege-/Schieberventile

 Speicher

 Pumpen

 Filter

 Kataloge
Mein Konto
E-Mail Adresse:
Passwort:

Sicheres Anmelden

Registrierung

Passwort vergessen?
Service
Konto
Angebote
Warenkorb
Wunschzettel
Versandkosten
FAQ / Hilfe
Rückruf-Service
Kontakt
Unsere AGB
Impressum
Sitemap
Information:
Sicherer Shop mit SSL
Zur Info
Information
Widerruf
Datenschutz
Startseite » Ventile » Ventile Druck » Rohrleitungsventile » Druckbegrenzungsventil einstellbar 3/4
Druckbegrenzungsventil einstellbar 3/4
Druckbegrenzungsventil einstellbar 3/4
Druckbegrenzungsventil einstellbar 3/4
Druckbegrenzungsventil einstellbar 3/4
Druckbegrenzungsventil einstellbar 3/4
Artikelnr.: 276-350-007
Artikelgewicht: 1.45kg
Preis auf Anfrage
Verfügbarkeit:
Auf den Wunschzettel
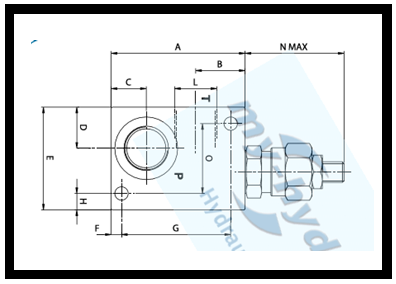
Druckbegrenzungsventil einstellbar 3/4"; Type: VMD-S-80-04-B-3

Druckbegrenzungsventil einstellbar 3/4"

Type: VMD-S-80-04-B-3

Leitungsbauweise

Druckanschluss: 3/4"

Tankanschluss: wie Druckanschluss

Q max: 80 L/min; p max: 260 bar

Einstellbereich: 20-260 bar

Gehäusewerkstoff: Stahl verzinkt

Verstellart: Verstellspindel mit Kontermutter und Schutzkappe

Auswahl von Varianten

 

 

Lagerort: F02.05

Weitere Abbildungen

©Powered by XonSoft®