|
Druckbegrenzungsventil einstellbar 1"
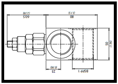
Type: VMDR-120-100-C-3
Leitungsbauweise
Druckanschluss: G 1" BSPP (IG)
Tankanschluss: G 1" BSPP (IG)
Q max: 120 L/min; p max: 350 bar
Einstellbereich p: 120 - 350 bar
bei Q max: 120 L/min delta p: 17 bar
Gehäusewerkstoff: Stahl
Verstellspindel mit Kontermutter
|