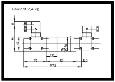
3/2-Wegesitzventil magnetbetätigt
Type: WV700-6-3/2-L-24-P-A
pmax. = 700 bar (P/A)
pmax. = 350 bar (T)
Schaltbild:
Nullstellung: A/T verbunden, P gesperrt; federrückstellend
Arbeitsstellung: P/A verbunden,T gesperrt
Leistungsgrenze: Qmax. = 25 l/min bei pmax. = 400 bar,
bei Q = 20 l/min Δp = 15 bar pro Steuerkante (P nach A)
bei Q = 20 l/min Δp = 18 bar pro Steuerkante (A nach T)
Befestigungsschrauben:
4 x M5x60 DIN 912; 12.9
Anzugsmoment: M = 8,9 Nm
|