Home  ¦   Konto  ¦   Warenkorb   ¦  Wunschzettel  
Shopping
 Hydraulik

 Ventile
    Hochdruckventile und Zubehoer
    Stromventile
    Ventile Druck
    Wege-/Sitzventile
    Wege-/Schieberventile

 Speicher

 Pumpen

 Filter

 Kataloge
Mein Konto
E-Mail Adresse:
Passwort:

Sicheres Anmelden

Registrierung

Passwort vergessen?
Service
Konto
Angebote
Warenkorb
Wunschzettel
Versandkosten
FAQ / Hilfe
Rückruf-Service
Kontakt
Unsere AGB
Impressum
Sitemap
Information:
Sicherer Shop mit SSL
Zur Info
Information
Widerruf
Datenschutz
Startseite » Ventile » Hochdruckventile und Zubehoer » 3/2-Wegesitzventil magnetbetätigt; Type: WV700-6-3/2-L-24-P-A
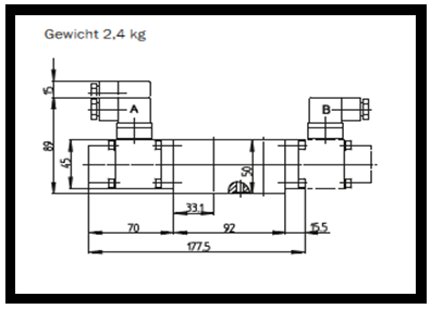
3/2-Wegesitzventil magnetbetätigt; Type: WV700-6-3/2-L-24-P-A
3/2-Wegesitzventil magnetbetätigt; Type: WV700-6-3/2-L-24-P-A
3/2-Wegesitzventil magnetbetätigt; Type: WV700-6-3/2-L-24-P-A
3/2-Wegesitzventil magnetbetätigt; Type: WV700-6-3/2-L-24-P-A
Artikelnr.: 265-000-002
Artikelgewicht: 2.48kg
Preis auf Anfrage
Verfügbarkeit:
Auf den Wunschzettel
3/2-Wegesitzventil magnetbetätigt; Type: WV700-6-3/2-L-24-P-A

3/2-Wegesitzventil magnetbetätigt

Type: WV700-6-3/2-L-24-P-A

pmax. = 700 bar (P/A)

pmax. = 350 bar (T)

Schaltbild:

Nullstellung: A/T verbunden, P gesperrt; federrückstellend

Arbeitsstellung: P/A verbunden,T gesperrt

Leistungsgrenze: Qmax. = 25 l/min bei pmax. = 400 bar,

bei Q = 20 l/min  Δp = 15 bar pro Steuerkante (P nach A)

bei Q = 20 l/min  Δp = 18 bar pro Steuerkante (A nach T)

Befestigungsschrauben:

4 x M5x60 DIN 912; 12.9

Anzugsmoment: M = 8,9 Nm

Lagerort: E06/09

Weitere Abbildungen

©Powered by XonSoft®