Home  ¦   Konto  ¦   Warenkorb   ¦  Wunschzettel  
Shopping
 Hydraulik
    Blindplatte
    Dichtungen
    Drehgelenke
    Druckschalter
    Druckwaagen
    Gehaeuse/Anschlussplatten
    Leitungsbruchsicherungen
    Manometer
    Oelstandsanzeiger
    Schrauben
    Spulen
    Stecker
    Tanks
        Tank und Zubehoer
    Temperaturschalter
    Umlenkplatten
    Verschraubungen
    Zubehör

 Ventile

 Speicher

 Pumpen

 Filter

 Kataloge
Mein Konto
E-Mail Adresse:
Passwort:

Sicheres Anmelden

Registrierung

Passwort vergessen?
Service
Konto
Angebote
Warenkorb
Wunschzettel
Versandkosten
FAQ / Hilfe
Rückruf-Service
Kontakt
Unsere AGB
Impressum
Sitemap
Information:
Sicherer Shop mit SSL
Zur Info
Information
Widerruf
Datenschutz
Startseite » Hydraulik » Tanks » Tank und Zubehoer » Tank 7 Liter (Stahl); Type: TNK7
Tank 7 Liter (Stahl); Type: TNK7
Tank 7 Liter (Stahl); Type: TNK7
Tank 7 Liter (Stahl); Type: TNK7
Tank 7 Liter (Stahl); Type: TNK7
Tank 7 Liter (Stahl); Type: TNK7
Tank 7 Liter (Stahl); Type: TNK7
Artikelnr.: 215-900-005
Artikelgewicht: 6.60kg
Preis auf Anfrage
Verfügbarkeit:
Auf den Wunschzettel
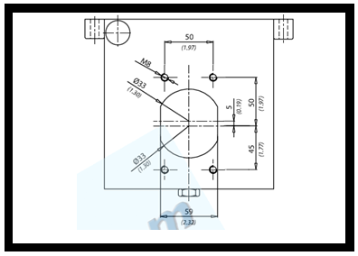
Tank 7 Liter (Stahl); Type: TNK7

Tank 7 Liter (Stahl)

Type: TNK7

Be- und Entlüftungsfilter 1/4" BSPP, Ablassschraube 1/4" BSPP

AD02.05

Weitere Abbildungen

©Powered by XonSoft®