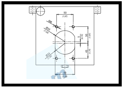
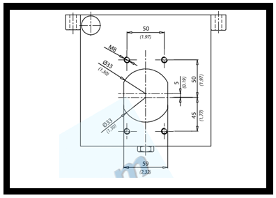
Tank 7 Liter (Stahl)
Type: TNK7
Be- und Entlüftungsfilter 1/4" BSPP, Ablassschraube 1/4" BSPP
AD02.05