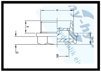
Schauglas/ Ölstandkontrolle 3/8" LCP
Gewinde: 3/8" BSP
p max. = 2 bar
Material: Nylon; Alu; Abdichtung: Fiber
zum einschr. in den Tank
Lagerort: D05/07