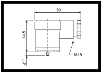
Würfelstecker DIN 43650 schwarz
Type: VC11 03A00 3 00 S
3 Pole + Masse
Schutzart: IP 67
Kabelverschraubung: M 16
I max = 10 A
Lagerort: AA01.03