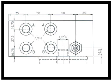
Reihenanschlussplatte NG6-4-fach mit DBV u. Spin-on
Type: EM203/4X3F/L
Druckeinstellung: p =100-350 bar
Anschlüsse A-B seitlich 3/8"; P-T stirnseitig 1/2"
Werkstoff: Stahl