Schnellsuche
Warenkorb: 0 Artikel
Wunschzettel: ist leer
Hydraulik
Ventile
Speicher
Pumpen
Filter
Kataloge
Home
¦
Konto
¦
Warenkorb
¦
Wunschzettel
Shopping
Hydraulik
Blindplatte
Dichtungen
Drehgelenke
Druckschalter
Druckwaagen
Gehaeuse/Anschlussplatten
Stahlgehäuse
Anschlussplatten
Leitungsbruchsicherungen
Manometer
Oelstandsanzeiger
Schrauben
Spulen
Stecker
Tanks
Temperaturschalter
Umlenkplatten
Verschraubungen
Zubehör
Ventile
Speicher
Pumpen
Filter
Kataloge
Mein Konto
E-Mail Adresse:
Passwort:
Sicheres Anmelden
Registrierung
Passwort vergessen?
Service
Konto
Angebote
Warenkorb
Wunschzettel
Versandkosten
FAQ / Hilfe
Rückruf-Service
Kontakt
Unsere AGB
Impressum
Sitemap
Information:
Sicherer Shop mit SSL
Zur Info
Information
Widerruf
Datenschutz
Startseite
»
Hydraulik
»
Gehaeuse/Anschlussplatten
»
Anschlussplatten
»
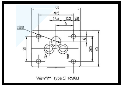
Grundplatte NG 6 für 2FRM6; Type: G342/01
Abbildung vergrößern
Grundplatte NG 6 für 2FRM6; Type: G342/01
Artikelnr.: 398-110-001
Artikelgewicht: 1.10kg
Preis auf Anfrage
Verfügbarkeit:
Druckansicht
PDF-Ansicht
Frage zum Produkt
Bewertungen
Grundplatte NG 6 für 2FRM6; Type: G342/01
Grundplatte NG 6 für 2FRM6
Type: G342/01
Anschlüße: G 3/8" BSPP hinten
Werkstoff: Stahl
Weitere Abbildungen
©Powered by
XonSoft
®