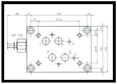
Grundplatte NG 16, 1-fach; mit DBV
Type: ES710LLX3 F
AnschlĂĽsse:
seitlich/ G 1" BSPP (A/B/P/T)
seitlich/ G 1/4" BSPP (X/Y/M)
Werkstoff: Stahl
Lagerort: D02.11