Home  ¦   Konto  ¦   Warenkorb   ¦  Wunschzettel  
Shopping
 Hydraulik

 Ventile
    Hochdruckventile und Zubehoer
    Stromventile
    Ventile Druck
    Wege-/Sitzventile
    Wege-/Schieberventile
        Drehschieberventile
        Rohrleitungsventile/Wege-Schiebe
            Handsteuerventile
            HPV 41 Proportional Ventil
        Wege-Schieberventil/Weiche
        Zwischenplatten-Flansch-Cetopven

 Speicher

 Pumpen

 Filter

 Kataloge
Mein Konto
E-Mail Adresse:
Passwort:

Sicheres Anmelden

Registrierung

Passwort vergessen?
Service
Konto
Angebote
Warenkorb
Wunschzettel
Versandkosten
FAQ / Hilfe
Rückruf-Service
Kontakt
Unsere AGB
Impressum
Sitemap
Information:
Sicherer Shop mit SSL
Zur Info
Information
Widerruf
Datenschutz
Startseite » Ventile » Wege-/Schieberventile » Rohrleitungsventile/Wege-Schiebe » HPV 41 Proportional Ventil » 4/3 Wegeventilblock für Presscontainer mit Laderampe, Stromregler und DBV; Type: NG16-TG
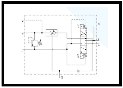
4/3 Wegeventilblock  für Presscontainer mit Laderampe, Stromregler und DBV; Type: NG16-TG
4/3 Wegeventilblock  für Presscontainer mit Laderampe, Stromregler und DBV; Type: NG16-TG
4/3 Wegeventilblock  für Presscontainer mit Laderampe, Stromregler und DBV; Type: NG16-TG
4/3 Wegeventilblock für Presscontainer mit Laderampe, Stromregler und DBV; Type: NG16-TG
Artikelnr.: 382-500-003
Artikelgewicht: 9.60kg
Preis auf Anfrage
Verfügbarkeit:
Auf den Wunschzettel
4/3 Wegeventilblock für Presscontainer mit Laderampe, Stromregler und DBV; Type: NG16-TG

4/3 Wegeventilblock  für Presscontainer mit Laderampe, Stromregler und DBV

Type: NG16-TG

Qmax= 50 L/min

pmax= 250 bar

Steuerspannung U= 24 VDC

mit integriertem 3 - Wege Stromregler

DBV im Prioritätskanal-Kanal einstellbar

Stahlgehäuse

Anschlüsse: P1/P2/T/A/B 1/2" BSPP

Weitere Abbildungen

©Powered by XonSoft®